Vergleich von Überspannungsableiter-Technologien
16. Dezember 2016Schutz von Frequenzumrichtern vor plötzlichen Überspannungen
18. Dezember 2016Fabriken und empfindliche Geräte in Fabriken können infolge von Impulsen aus dem Netz durchbrennen. Diese Impulse können netzbedingt sein oder auch natürlichen Ursprungs sein, wie z.B. Blitzschlag.
1-Neutralleiterbruch
Neutralleiterbruch oder Neutralleiterunterbrechung ist ein Ereignis, das in Niederspannungsanlagen entgegen der landläufigen Meinung häufig auftritt und auf der Endverbraucherseite ernsthafte Schäden verursacht. Infolge dieses Ereignisses sind Geräte einer Phase-Phase-Spannung ausgesetzt und brennen durch.
Das könnte Sie interessieren: Erdungsmessung
Um Ausfällen vorzubeugen, die bei Neutralleiterfehlern auftreten können, sind stufenweise angeordnete Klasse C+D Überspannungsschutzgeräte erforderlich.
2-Blitzeinschlag
Blitzschlag und chaotische Naturereignisse sind eine der wichtigsten Ursachen für netzbedingte AC-Schwankungen und Impulse. Insbesondere Blitze, die in Energieübertragungsleitungen einschlagen, können sich in Form einer Wanderwelle auf Ihre Anlage zubewegen. Auch Blitzimpulse aus dem Boden sind eine der Hauptursachen für das Durchbrennen von Geräten.
Das könnte Sie interessieren: Blitzrisikoberechnung
3-Oberschwingungsquellen (Harmonische)
Lichtbogenöfen, Schweißmaschinen, Schaltelemente und leistungselektronische Schaltungen sind Systeme, die ernsthaft Oberschwingungen erzeugen und die Netzqualität beeinträchtigen. Diese im Netz auftretenden Impulse verursachen insbesondere Schäden an elektronischen Karten, SPS- und Automatisierungssystemen.
4-Netzeinbrüche und -ansteige
Spannungseinbruch ist das kurzzeitige Absinken (0,5 – 30 Perioden) des Effektivwerts der Netzspannung bei Nennfrequenz (0,1 pu – 0,9 pu). Die allgemeine Ursache für im Netz auftretende Spannungseinbrüche ist das Einschalten großer Lasten oder Kurzschlussfehler. Spannungseinbrüche können wiederum dazu führen, dass empfindliche Geräte in Fabriken durchbrennen. Spannungsanstieg ist das Ansteigen der Spannung auf einen Wert von mehr als 110 % für eine Dauer von mehr als einer vollen Periode. Ursache sind Lastreduzierung und Frequenzprobleme im Netz. Spannungseinbrüche oder -ansteige können ebenfalls Geräte beschädigen.
Bedeutung von NS-Überspannungsableitern
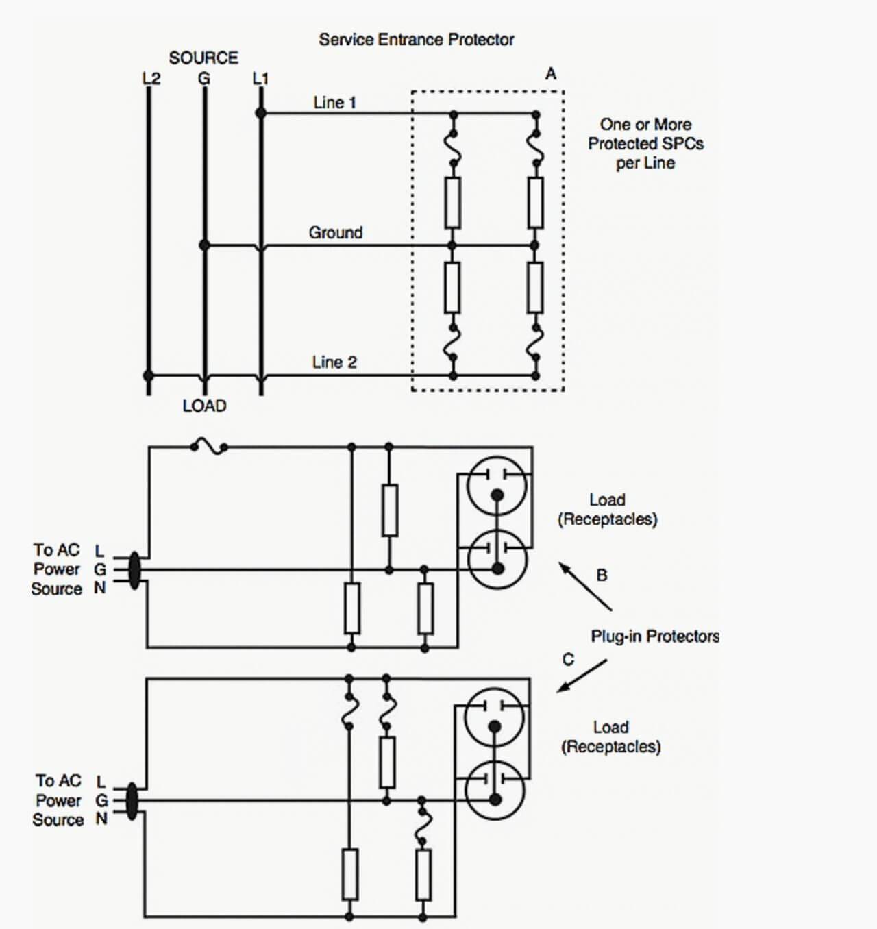
Anlagen, in denen sich viele empfindliche Geräte befinden, wie z.B. Fabriken, müssen gegen die oben erläuterten AC-Spannungsimpulse geschützt werden. Dafür müssen, beginnend bei den Hauptverteilern, Hauptverteiler, Unterverteiler und empfindliche Geräte mit NS-Überspannungsableitern geschützt werden. In unserem Video unten können Sie sehen, wie eine Fabrik vor plötzlichen Überspannungsimpulsen geschützt wird.









